Zarážacie kotvy ED-DW 15, pozinkovaná oceľ

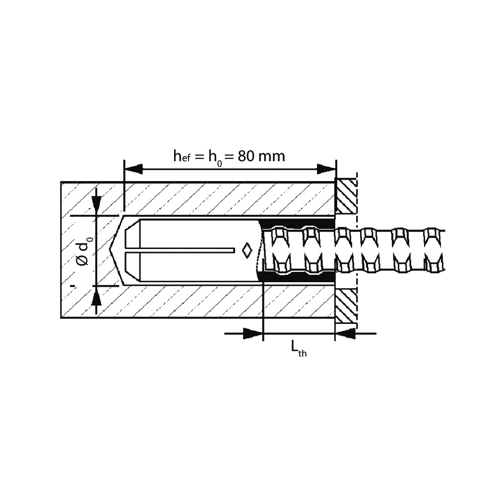
  • zarážacie kotvy s vnútorným závitom1) DYWIDAG® DW 15
  • na dodatočné upevnenie kotviacich tyčí
  • spoľahlivá montáž vďaka závitu odolnému voči nečistotám
  • po odstránení kotevnej tyče kotva nevyčnieva z vyvŕtaného otvoru
  • vhodné pre betón C12/15-C50/60 alebo prírodný kameň odolný voči tlaku

Príklady použitia:

  • všestranne použiteľné kotvy pri montáži debnenia
  • cenovo výhodné a rýchle upevnenie pri betónovaní na mieste
  • pripevnenie podpier debnenia a dočasných zaistení proti zrúteniu

 

                                                      

Výhody

Použitie

  Prebieha spracovanie ...
No.
Názov
Počet × PU = množstvo Balenie
Dokumenty pre Zarážacie kotvy ED-DW 15, pozinkovaná oceľ