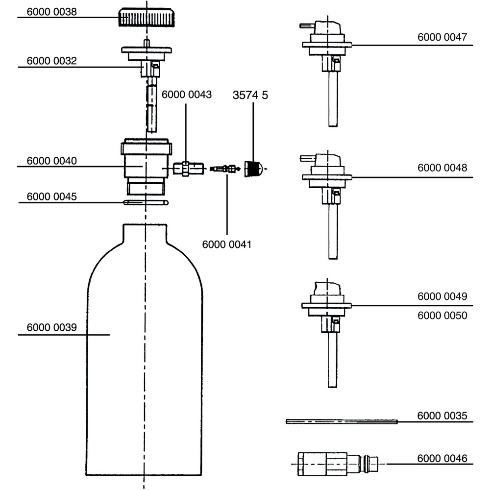
Náhradné diely a prísluš. pre tlakovzd. rozprašovač

  Prebieha spracovanie ...
No.
Názov
Počet × PU = množstvo Balenie
Dokumenty pre Náhradné diely a prísluš. pre tlakovzd. rozprašovač