Konzola, dvojitá STRUT

Dvojitá výložníková konzola na pripevnenie na steny

  • s vysokokvalitným galvanickým pozinkovaním 8 – 10 µ
  • protipožiarny certifikát

Výhody produktu:

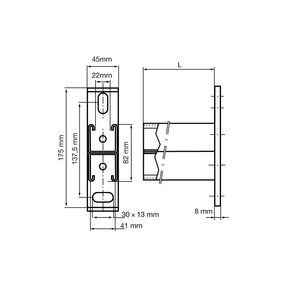
  • upevňovacie otvory sú vyrazené ako pozdĺžne otvory vo vzájomnom uhle 90° pre väčší komfort pri montáži
  • dovnútra zahnuté strany s ozubením pre lepšiu prídržnosť

Oblasti použitia

  • vyložené nosné konštrukcie pre potrubné trasy, armatúry, káblové lávky, čerpadlá, vetracie kanály, vetracie a klimatizačné zariadenia 
  Prebieha spracovanie ...
No.
Názov
Počet × PU = množstvo Balenie
Dokumenty pre Konzola, dvojitá STRUT