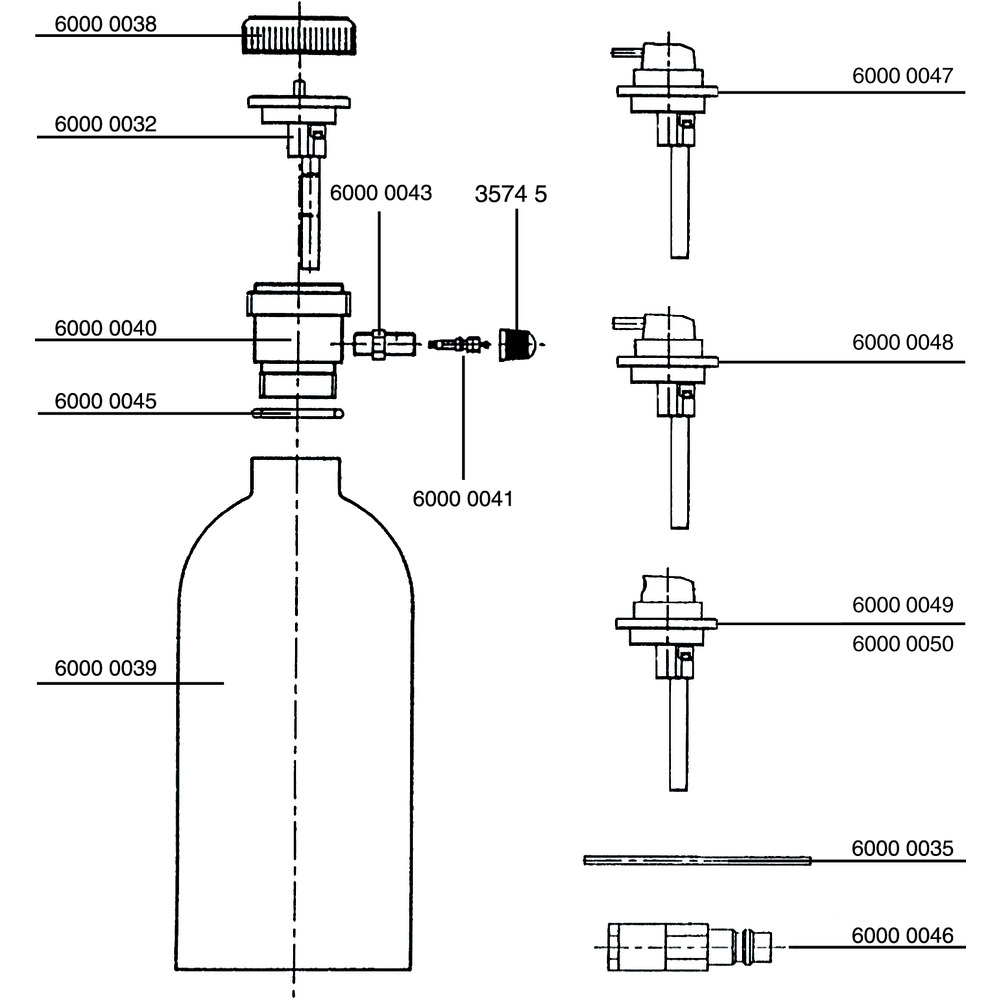
Bodové striekacie hlavy pre tlakovzdušný rozprašovač

  Prebieha spracovanie ...
No.
Názov
Počet × PU = množstvo Balenie
Dokumenty pre Bodové striekacie hlavy pre tlakovzdušný rozprašovač